Компания
Мехтехника
Тел.: 8 (800) 505-36-88

Редукторные электродвигатели VEM с двухступенчатым редуктором

Редукторные электродвигатели VEM с двухступенчатым редуктором

Редукторный электродвигатель KMR является электромеханическим приводом, который можно применять во всех отраслях промышленности и в производственной деятельности. Прочная конструкция с литыми лапами позволяет редуктору выдерживать большие консольные радиальные нагрузки. Потребителю доступны семь типоразмеров редукторов каждый, из которых выдает частоту вращения в пределах 1,25 – 400 об/мин. Корпус редуктора покрашен специальным лаком, позволяющим применять его в уличных условиях. Редукторная часть заправлена трансмиссионным маслом в соответствии с монтажным исполнением.

Цена: по запросу заказчика

Общее описание:

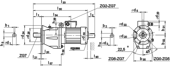
Конструкция G 110 ZG, KMR

Конструкция G 110 ZG, KMR

Тип

l10±0.3

b10±0.3

h10

d1

d2

l11

b11

h41

l13

h-0,5

h39

l31

ZG0

                       

56K/56G
63K/63G
71K/71G


85


130


15


22k6

11k6
14k6
19k6


116,5


155


-


10,5


100


-


14,5

ZG1

63K/63G
71K71G
80K
80G


95


140


20


28k6

14k6
19k6
22k6


136,5


170


-


15


112


-


20

ZG2

71K/71G
80K
80G
90L
100S


120


170


25


32k6

19k6
22k6

24k6
28k6


165,5


205


236


19


132


7


24

ZG3

                       

80K
80G
90L
100S
100L
112M



150



205



30



48k6

22k6

24k6

28k6
32k6



200,5



245



286



20



160



9



26

ZG4

                       

90L
100S
100L
112M
132S
132M



190



255



35



60m6

24k6
28k6

32k6
38k6



251,5



300



349



24



200



10



31

ZG5

                       

100L
112M
112MX
132S
132M
160S
160M



245



315



40



75m6

28k6
32k6

38k6

42k6



307,5



370

432




438



27



250



13



35

ZG6

                       

132S
132M
160S
160M
180S
180M



280



385



50



90m6

38k6

42k6

48k6



359,5



450



537



34



315



20



43

Тип

l30

l33

l1

l2

d30

d10

h5

d5

b1

b2

d33

l34

h6

l90

h31

ZG0

                             

56K/56G
63K/63G
71K/71G

351
369
398

377
402
442


50

23
30
40

109
124
139


9+0.2


24,5


M8


6

4
5
6


16

195
204
206

12,5
16
21,5

14

16

195
204
211

ZG1

                             

63K/63G
71K71G
80K
80G

402
431
446
468

435
475
500
522


60

30
40
50

124
139
157


12+0.2


31


M8


8

5
6


16

227
229
230

16
21,5
24,5

14
16

216
223
232

ZG2

                             

71K/71G
80K
80G
90L
100S

483
498
520
544
573

527
552
574
598
639


80

40
50
60

139
157
177
196


14+0.25


35


M12


10

6


8


16

261
262

267
271

21,5
24,5

27
31

16


18
20

236
245

252
262

ZG3

                             

80K
80G
90L
100S
100L
112M

571
593
617
646
680
709

625
647
671
712
746
795



110

50


60

80

157

177
196

217



18+0.25



51,5



M16



14

6

8


10

16




21

305

310
314

337

24,5

27
31

35/41

16

18
20

35

271

278
288

330

ZG4

                             

90L
100S
100L
112M
132S
132M

703
732
766
795
818
866

757
798
832
881
908
956



140

50
60

80

177
196

217
258



18+0.25



64



M20



18

8


10

16


21

366
370

393
397

27
31

35/41
41

18
20

35

317
327

369
390

ZG5

                             

100L
112M
112MX
132S
132M
160S
160M

829
858
873
881
929
936
974

895
944
964
971
1019
1057
1095



140

60
80



110

196
217

258

313



22+0.25



79,5



M20



20

8
10



12

16
21



29

433
456

460

479

31
35/41
35
41

45

20
35

374
416

437

480

ZG6

                             

132S
132M
160S
160M
180S
180M

969
1017
1024
1062
1093
1138

1059
1107
1145
1183
1212
1257



170

80

110

258

313

351



26+0.25



95



M24



25

10

12

14

21

29

518

537

548

41

45

51,5

35

495

538

556

Конструкция G 310 ZG, KMR

Конструкция G 310 ZG, KMR

Тип

d24

d25

l21

d1

d2

d20

l20

d30

h38

h39

b31

b32

l30

l33

l1

l2

d22

h5

h6

ZG0

                                     

56K/56G
63K/63G
71K/71G

140

95j6

9

22k6

11k6
14k6
19k6

115

3

109
124
139

-

-

95
104
111

97

351
369
398

377
402
442

50

23
30
40

9

24,5

12,5
16
21,5

ZG1

                                     

63K/63G
71K71G
80K
80G


160


110j6


10


32k6

14k6
19k6
22k6


130


3,5

124
139
157


-


-

104
111
120


109

402
431
446
468

435
475
500
522


60

30
40
50


9


31

16
21,5
24,5

ZG2

                                     

71K/71G
80K
80G
90L
100S



200



130j6



10



32k6

19k6
22k6

24k6
28k6



165



3,5

139
157

177
196

104


106
116



7

104
113

120
130



127

483
498
520
544
573

527
552
574
598
639



80

40
50


60



11



35

21,5
24,5

27
31

ZG3

                                     

80K
80G
90L
100S
100L
112M



250



180j6



11



48k6

22k6

24k6
28k6

32k6



215



4

157

177
196

217

126




134



9

111

118
128

170



156

571
593
617
646
680
709

625
647
671
712
746
795



110

50


60

80



14



51,5

24,5

27
31

35/41

ZG4

                                     

90L
100S
100L
112M
132S
132M



300



230j6



12



60m6

24k6
28k6

32k6
38k6



365



4

177
196

217
258

149



157



10

117
127

169
190



196

703
732
766
795
818
866

757
798
832
881
908
956



140

50
60

80



14



64

27
31

35/41
41

ZG5

                                     

100L
112M
112MX
132S
132M
160S
160M




400




300h6




15




75m6

28k6
32k6

38k6

42k6




350




5

196
217

258

313

182




188




13

124
166

187

230




245

829
858
878
881
929
936
974

895
944
964
971
1019
1057
1095




140

60
80



110




18




79,5

31
35/41
35
41

45

ZG6

                                     

132S
132M
160S
160M
180S
180M



450



350h6



16



90m6

38k6

42k6

48k6



400



5

258

313

351



222



20

100

223

241



309

969
1017
1024
1062
1093
1138

1059
1107
1145
1183
1212
1257



170

80

110



18



95

41

45

51,5

Тип

b1

b2

d5

d33

l57

b35

l34

l90

ZG0

           

56K/56G
63K/63G
71K/71G


6

4
5
6


M8


16


136


120

195
204
206

14

16

ZG1

           

63K/63G
71K71G
80K
80G


8

5
6


M8


16


159


130

227
229
230

14
16

ZG2

           

71K/71G
80K
80G
90L
100S



10

6


8



M12



16



191



152

261
262

267
271

16


18
20

ZG3

           

80K
80G
90L
100S
100L
112M



14

6

8

10



M16

16




21



235



182

305

310
314

337

16

18
20

35

ZG4

           

90L
100S
100L
112M
132S
132M



18

8


10



M20

16


21



291



238

366
370

393
397

18
20

35

ZG5

           

100L
112M
112MX
132S
132M
160S
160M




20

8
10



12




M20

16
21



29




354




288

433
456

460

479

20
35

ZG6

           

132S
132M
160S
160M
180S
180M



25

10

12

14



M24

21



29



412



344

518

537

548



35

Номинальная мощность , кВт

Номинальное число , об/мин

Обозначение типа

Крутящий момент , Нм

Масса , кг

0,37

1,25
1,60
2,00

ZG 6/1 KMR 63 G4

2187
1844
1422

160

2,50
3,15

ZG 5/1 KMR 63 G4

1128
861

111

4,00
5,00
6,30

ZG 4/1 KMR 63 G4

680
534
444

66,5

8,00
10,00
12,50

ZG 3/1 KMR 63 G4

363
341
283

46

16

ZG 2 KMR 80 К8

228

28,5

20
25

ZG 2 KMR 71 К6

172
134

24,5

31,5
40
50

ZG 1 KMR 63 G4

103
80,8
67,2

15

63
80
100
125
160
200
250
315
400

ZG 0 KMR 63 G4

55,1
43,2
34,4
28,0
21,9
17,0
13,5
11,0
8,58

12,8

0,55

4,00
5,00
6,30

ZG 6/2 KMR 71 К4

1206
944
753

169

8,00
10,00

ZG 4/1 KMR 71 К4

542
426

69,3

12,50

ZG 3/1 KMR 71 К4

354

48,5

16

ZG 3 KMR 80 G8

328

43

20
25

ZG 2 KMR 71 G6

255
200

26

31,5
40
50

ZG 2 KMR 71 К4

171
133
106

24

63
80

ZG 1 KMR 71 К4

82
64,3

17,3

100
125
160
200
250
315
400

ZG 0 KMR 71 К4

50,4
41,1
32
24,9
19,8
16,2
12,6

15,6

0,75

4,00
5,00
6,30

ZG 6/2 KMR 71 G4

1638
1285
1030

170

8,00
10,00
12,5

ZG 4/1 KMR 71 G4

739
580
432

70,4

16

ZG 3 KMR 90 L8

442

48

20
25

ZG 3 KMR 80 К6

332
269

41

31,5
40
50

ZG 2 KMR 71 G4

232
182
145

25,5

63
80
100

ZG 1 KMR 71 G4

112
87,3
73,0

18,9

125
160
200
250
315
400

ZG 0 KMR 71 G4

56,0
43,6
33,9
27,0
22,0
17,1

16,7

1,1

8,00
10,00

ZG 6/2 KMR 80 К4

1147
896

174

12,5

ZG 4/1 KMR 80 К4

692

74

16

ZG 4 KMR 100 S8

621

78

20
25

ZG 3 KMR 80 G6

488
394

44

31,5
40
50

ZG 3 KMR 80 K4

322
260
212

41,5

63
80

ZG 2 KMR 80 K4

162
126

29

100
125
160
200
250
315
400

ZG 1 KMR 80 K4

105
83,5
63,5
49,9
41,5
33,1
25,2

22,4

1,5

8,00
10,00

ZG 6/2 KMR 60 G4

1549
1216

176

12,50

ZG 5/2 KMR 80 G4

939

127

16

ZG 4 KMR 100 L8

846

83

20
25

ZG 4 KMR 90 L6

627
506

74

31,5
40
50

ZG 3 KMR 80 G4

437
354
288

43

63
80
100

ZG 2 KMR 80 G4

220
172
137

31,5

125
160
200
250
315
400

ZG 1 KMR 80 G4

114
86,4
69,5
57,8
46,1
35,1

24,9

2,2

12,50

ZG 5/2 KMR 90 L4

1363

132

16

ZG 5 KMR 112 M8

1245

138

20
25

ZG 4 KMR 100 L6

919
742

83

31,5
40
50

ZG 4 KMR 90 L4

610
492
401

73

63
80

ZG 3 KMR 90 L4

313
252

47

100
125
160
200
250
315
400

ZG 2 KMR 90 L4

200
163
126
98,1
78,2
63,7
49,6

37

3,0

16

ZG 5 KMR 112 M8

1707

148

20
25

ZG 5 KMR 112 M6

1265
1020

138

31,5
40
50

ZG 4 KMR 100 S4

828
669
545

80

63
80
100

ZG 3 KMR 100 S4

425
343
279

53

125
160
200
250
315
400

ZG 2 KMR 100 S4

222
172
133
106
86,6
67,4

44,5

4,0

16

ZG 6 KMR 132 S8

2197

202

20
25

ZG 5 KMR 112 M6

1687
1363

149

31,5
40
50

ZG 5 KMR 100 L4

1118
908
697

130

63
80

ZG 4 KMR 100 L4

559
451

86

100
125
160
200
250
315
400

ZG 3 KMR 100 L4

373
292
233
177
145
113
90,6

59

Пример условного обозначения при заказе:

Редуктор KMR 0,75/40 ZG1 G 110, что означает:

KMR – марка;
0,75 – мощность электродвигателя, кВт;
40 – частота вращения выходного вала, об/мин;
ZG1 – типоразмер;
G110 – монтажное исполнение.