Компания
Мехтехника
Тел.: 8 (800) 505-36-88

Редукторы двухступенчатые цилиндрические 1Ц2У-100, 1Ц2У-125, 1Ц2У-160, 1Ц2У-200, 1Ц2У-250

Редукторы двухступенчатые цилиндрические 1Ц2У-100, 1Ц2У-125, 1Ц2У-160, 1Ц2У-200, 1Ц2У-250

Двухступенчатые цилиндрические редукторы типов 1Ц2У-100, 1Ц2У-125, 1Ц2У-160, 1Ц2У-200, 1Ц2У-250 общемашиностроительного применения предназначены для изменения показателей крутящих моментов и значения частоты вращения. Отличительной особенностью оборудования выступает высокое качество сборки, выходной контроль соответствия каждой единицы товара, и объективный уровень цен. Кроме того, при возникновении сложностей выбора определенного типа редуктора, наши покупатели и заказчики всегда могут рассчитывать на компетентную помощь специалистов-консультантов. От выбранного типоразмера оборудования зависят показатели номинального крутящего момента, допустимая радиальная нагрузка и масса самого агрегата. Важно отметить, что при включении реверсивного режима, допускаемые крутящие моменты на валу должны быть снижены не менее чем на 30%.

Цена: от 13 480 руб.

Скачать прайс: xls zip

Базовые условия использования двухступенчатых цилиндрических редукторов:

  • Тип нагрузки: постоянная/переменная, одного направления/реверсивная;
  • Вал вращается в оба направления без предпочтений (частота < 1800 об/мин.);
  • Редуктор адаптирован для работы в длительном режиме и с остановами;
  • Характер атмосферы: типы I и II (ГОСТ 15150-69), запыленность среды < 10 мг/куб.м.;
  • Климатич. варианты исполнения оборудования: У/Т - категории размещения 1...3, а также исполнения УХЛ/О - категория размещения 4 (ГОСТ 15150-69).

Общее описание:

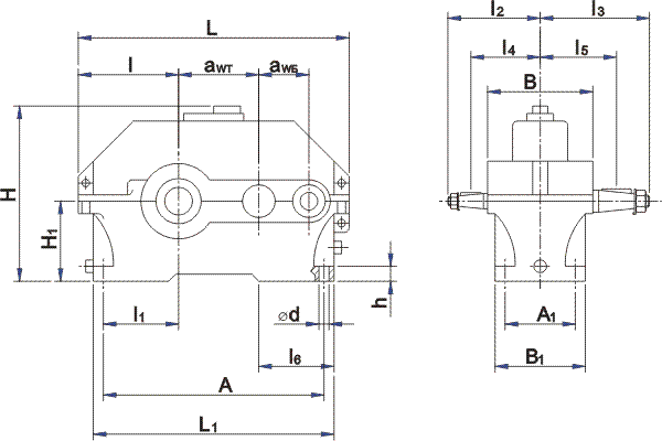
Габаритные и присоединительные размеры 1Ц2У-100 - 1Ц2У-250

Габаритные и присоединительные размеры двухступенчатых цилиндрических редукторов 1Ц2У-100, 1Ц2У-125, 1Ц2У-160, 1Ц2У-200, 1Ц2У-250.

РИС 1. Габаритные и присоединительные размеры

Варианты сборки редукторов типа ЦУ

РИС 2. Варианты сборки редукторов типа ЦУ

Типоразмер редуктора Межосевые расстояния L L1 l l1 l2 l3 l4 l5 l6 H не более
awвых awвх не более              
1Ц2У-100 100 80 387 325 136 85 136 165 103 115 - 230
1Ц2У-125 125 80 450 375 160 106 145 206 112 136 - 272
1Ц2У-160 160 100 560 475 200 136 170 224 132 155 145 345
1Ц2У-200 200 125 690 580 243 165 212 280 160 190 186 425
1Ц2У-250 250 160 825 730 290 212 265 335 195 230 224 530
    h          
Типоразмер редуктора H1 c чугун. корп. с алюм. корп. А A1 В B1 d
1Ц2У-100 112 20±3 290 109 155 145 15
1Ц2У-125 132 22±3 335 125 175 165 19
1Ц2У-160 170 24±4 28±4 425 140 206 195 24
1Ц2У-200 212 30±4 515 165 243 230 24
1Ц2У-250 265 32±5 670 218 290 280 28

ТАБЛ 1. Габаритные и присоединительные размеры

Технические характеристики 1Ц2У100 - 1Ц2У250

Наименование показателя Типоразмер редуктора
1Ц2У-100 1Ц2У-125 1Ц2У-160 1Ц2У-200 1Ц2У-250
Передаточные числа Группа 1 10; 20; 31,5; 40
Группа 2 8;12,5; 16; 25
Фактические передаточные числа Группа 1 10,32;20,64; 32,55; 40,32 10; 20; 31,5;38,37 10,32; 20,64; 32,55; 40,32 9,76; 20,02; 31,47; 38,98 9,94; 20,67; 31,47; 38,4
Группа 2 8; 12,8; 16; 25,6 7,75; 12,18; 15,48; 24,36 8; 12,6; 16,0; 25,2 8,09; 12,08; 16,6; 24,83 8,33; 12,12; 16; 24,54
Номинальный крутящий момент на вы­ходном валу при длительной работе с постоянной нагрузкой Н*м непрерыв­ный (Н) ПВ=100% 315 630 1250 2500 5000
Допускаемый крутя­щий момент на вы­ходном валу при работе редуктора на повторно-кратковременных режимах. Н*м тяжелый (Т) ПВ=40% 315 630 1600 3150 6300
средний (С) ПВ=25% 2000 4000 8000
легкий (Л) ПВ=15% 2500 5000 10000
Допускае­мая радиальная консольная нагрузка. приложенная в середине посадочной части, Н входно­го вала непрерыв­ный (Н) ПВ=100% 500 750 1000 2240 3150
тяжелый (Т) ПВ=40% 1150 2500 3550
средний (С) ПВ=25% 1280 2800 4000
легкий (Л) ПВ=15% 1450 3150 4500
выходного вала непрерыв­ный (Н) ПВ=100% 4500 6300 9000 12500 18000
тяжелый (Т) ПВ=40% 10000 14000 20000
средний (С) ПВ=25% 11200 16000 22400
легкий (Л) ПВ=15% 12500 18000 25000
Термическая мощность, кВт не лимитирует
Коэффициент полезного действия, не менее, % 97
Масса редуктора, не более, кг с чугунным корпусом   95 170 310
с алюминиевым корп. 21 31,5 57    

ТАБЛ 2. Прим.: Редукторы должны изготавливаться по вариантам сборки по ГОСТ 20373-80 согласно таблице по 2 группам

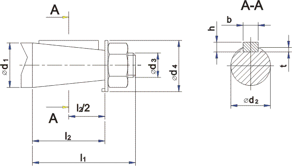
Типоразмер Вал d1 d2 d3 d4
не более
l1 l2 b h t
1Ц2У-100
1Ц2У-125
быстроходный 20 18,2 М12х1,5 40 50 36 4 4 2,5
1Ц2У-160
1Ц2У-200
1Ц2У-250
25
30
40
22,9
27,1
35,9
М16х1,5
М20х1,5
М24х2,0
45
50
63
60
80
110
42
58
82
5
10
5
8
3,0
5,0
1Ц2У-100
1Ц2У-125
1Ц2У-160
1Ц2У-200
1Ц2У-250
тихоходный 35
45
55
70
90
32,10
40,90
50,90
64,75
83,50
M20x1,5
М30х2,0
М36х3,0
М48х3,0
М64х4,0
50
75
88
100
130
80
110
110
140
170
58
82
82
105
130
6
12
14
18
22
6
8
9
11
14
3,5
5,0
5,5
7,0
9,0

Пример условного обозначения при заказе:

Редуктор 1Ц2У-200-20-12К У2 ТУ2-056-243-86:

Цилиндрический двухступенчатый редуктор с межосевым расстоянием тихоходной ступени 200мм, номинальным передаточным числом 20, вариантом сборки 12, коническим концом тихоходного вала К, климатическим исполнением У и категорией размещения 2.