Компания
Мехтехника
Тел.: 8 (800) 505-36-88

Цилиндрические редукторы зубчатые трехступенчатые 1Ц2У-315Н, 1Ц2У-355Н, 1Ц2У-400Н, 1Ц2Н-450, 1Ц2Н-500

Цилиндрические редукторы зубчатые трехступенчатые 1Ц2У-315Н, 1Ц2У-355Н, 1Ц2У-400Н, 1Ц2Н-450, 1Ц2Н-500

Редуктор Ц2У – Н относится к зубчатым цилиндрическим двухступенчатым узким приводным устройствам горизонтального типа. Характер использования – общепромышленная структура народного хозяйства. Редукторы представленной категории отвечают за увеличение показателей крутящих моментов и уменьшение значения частоты вращения. Успешно эксплуатируются в районах с умеренным климатом (тип исполнение - У), а также сухим/влажным тропическим (исполнение-Т), категории размещения – 1/2/3/4 (использование на открытом воздухе (рекомендуется под навесом), в закрытых помещениях, а также в помещениях, предусматривающих возможность климатического регулирования. От варианта сборки редуктора зависят показатели передаточного числа, категория размещения и межосевое расстояние тихоходной ступни. В зависимости от требований и условий процесса, работа редуктора может быть как постоянной, так и с перерывами.

Цена: от 62 000 руб.

Скачать прайс: xls zip

Базовые условия использования цилиндрического редуктора:

  • Устройство адаптировано для работы в условиях переменной/постоянной нагрузки,
  • Тип нагрузки: одного направления/реверсивная;
  • Возможны два режима использования редуктора: постоянная работа, а также с периодическими остановками/перерывами;
  • Быстроходный вал осуществляет вращение в обе стороны, частота вращения не выше 1 500 об/мин.

Общее описание:

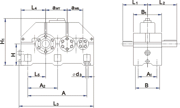
Габаритные и присоединительные размеры Ц2У315Н - Ц2У500Н

Габаритные и присоединительные размеры Ц2У315Н - Ц2У500Н

РИС 1. Габаритные и присоединительные размеры

Типоразмер аwБ аwT A A1 A2 B H H1 H2 L1 L2 L3 L4 L5
1Ц2У-315Н 200 315 740 260 370 340 335 685 35 300 420 1045 360 215
1Ц2У-355Н 225 355 850 280 425 360 375 740 35 320 440 1170 405 250
1Ц2У-400Н 250 400 950 330 475 420 425 835 42 380 500 1320 450 280
1Ц2Н-450 280 450 1060 515 530 590 475 955 50 500 650 1475 500 310
1Ц2Н-500 315 500 1220 580 615 650 530 1030 60 530 690 1660 530 360
Типоразмер b1 b2 d1 d2 d3 h1 h2 l1 l2 t1 t 2 Объем заливаемого масла, л Масса, кг
1Ц2У-315Н 14 28 50k6 110 28 9 16 110 210 44 100 30 520
1Ц2У-355Н 16 32 55k6 125 28 10 18 110 210 44 114 35 700
1Ц2У-400Н 18 36 60k6 140 35 11 20 140 250 53 128 60 940
1Ц2Н-450 22 40 80 k6 160 35 14 22 170 300 71 157 90 1530
1Ц2Н-500 25 45 90 k6 180 42 14 25 170 300 81 165 100 2100

ТАБЛ 1. Габаритные и присоединительные размеры

Варианты сборки редукторов типа Ц2У

РИС 2. Варианты сборки редукторов типа Ц2У

Типоразмер редуктора Частота вращения быстроходного вала, об/мин Режим работы Передаточное число (номинальное)
8 10 12,5 16 20 25 31,5 40 50
1Ц2У-315Н 500 Л
С
Т
H
10300 9200 9200 8300 10700 9200 9200 8400 10400 9200 9200 8600 9900 9200 9200 8300 10800 8600 8600 8400 11200 8600 8600 8400 9800 8600 8600 8600 8700 8700 8600 8200 10700 7900 7600 7600
750 Л
С
Т
H
9700 9200 9100 8100 10100 9200 9200 8200 10 300 9200 9200 8300 9900 9200 9100 8200 10100 8600 8600 8200 10500 8600 8600 8300 9800 8600 8600 8400 8700 8600 8600 7900 10000 7600 7600 7600
1000 Л
С
Т
H
9200 9200 8900 8000 9600 9200 9100 8100 9900 9200 9100 8200 9800 9200 8800 8200 9600 8600 8600 7900 10000 8600 8600 8100 9800 8600 8600 8300 8700 8600 8600 7800 9600 7600 7600 7600
1500 Л
С
Т
H
9100 8900 8600 8000 9200 9100 8800 8000 9300 9200 8800 8100 9600 9200 8500 8100 9000 8600 8600 7700 9300 8600 8600 7800 9700 8600 8600 7900 8600 8600 8409 7600 8900 7600 7600 7500
1Ц2У-355Н 500 Л
С
Т
H
14000 12600 12600 11600 14600 12600 12600 11800 14200 12600 12600 11900 13500 12600 12600 11500 12500 12500 12000 10600 15300 11700 11700 11700 13500 11700 11700 11700 12000 12000 11700 11400 14700 10800 10400 10400
750 Л
С
Т
H
13200 12600 12500 11300 13700 12600 12600 11400 14000 12600 12600 11600 13400 12600 12500 11400 12500 12300 11700 10400 14300 11700 11700 11600 13500 11700 11700 11700 12000 11700 11700 10900 13700 10400 10400 10400
1000 Л
С
Т
H
12500 12500 12200 12200 13100 12600 12600 11300 13600 12600 12600 11400 13300 12600 12600 11200 12300 11900 11500 10200 13600 11700 11700 11300 13500 11700 11700 11500 12000 11700 11700 10800 13100 10400 10400 10400
1500 Л
С
Т
H
12300 12300 11900 11100 12400 12400 12100 11200 12600 12500 12100 11200 12900 12600 11700 11200 12100 11300 11100 9800 12700 11700 11700 10900 13200 11700 11700 11100 11800 11700 11700 10500 12200 10400 10400 10400
1Ц2У-400Н 500 Л
С
Т
H
19600 17700 17700 16200 19800 17700 17700 16600 19400 17700 17700 16500 18400 17700 17700 15900 20700 16400 16400 16400 20900 16400 16400 16400 18300 16400 16400 16400 16200 16200 16200 15700 20400 15000 14600 14600
750 Л
С
Т
H
18500 17700 17400 16100 19300 17700 17700 16300 19100 17700 17700 16300 18200 17700 17400 15700 19300 16400 16400 16400 20000 16400 16400 16400 18300 16400 16400 16400 16200 15100 16200 15100 19100 14600 14600 14600
1000 Л
С
Т
H
17500 17500 17000 16100 18300 17700 17500 16300 18700 17700 17400 16100 18000 17700 16800 15600 18400 16400 16400 16400 19100 16400 16400 16400 18200 16400 16400 16100 16200 16200 16200 15000 18200 14600 14600 14600
1500 Л
С
Т
H
-
-
-
-
-
-
-
-
17700 17500 16800 16100 17500 17500 16300 15500 17200 16400 16400 15600 17800 16400 16400 15900 17900 16400 16400 15600 15900 15900 15900 14600 17000 14600 14600 14600
1Ц2Н-450 500 Л
С
Т
H
29600 27700 27700 26200 29800 27700 27700 26600 29400 27700 27700 26500 28400 27700 27700 25900 20700 26400 26400 26400 20900 26400 26400 26400 28300 26400 26400 26400 26200 26200 26200 25700 20400 25000 24600 24600
750 Л
С
Т
H
28500 27700 27400 26100 29300 27700 27700 26300 29100 27700 27700 26300 28200 27700 27400 25700 29300 26400 26400 26400 20000 26400 26400 26400 28300 26400 26400 26400 26200 25100 26200 25100 29100 24600 24600 24600
1000 Л
С
Т
H
27500 27500 27000 26100 28300 27700 27500 26300 28700 27700 27400 26100 28000 27700 26800 25600 28400 26400 26400 26400 29100 26400 26400 26400 28200 26400 26400 26100 26200 26200 26200 25000 28200 24600 24600 24600
1500 Л
С
Т
H
-
-
-
-
-
-
-
-
27700 27500 26800 26100 27500 27500 26300 25500 27200 26400 26400 25600 27800 26400 26400 25900 27900 26400 26400 25600 25900 25900 25900 24600 27000 24600 24600 24600
1Ц2Н-500 500 Л
С
Т
H
49600 47700 47700 46200 49800 47700 47700 46600 49400 47700 47700 46500 48400 47700 47700 45900 40700 46400 46400 46400 40900 16400 16400 16400 48300 46400 46400 46400 46200 46200 46200 45700 50400 45000 44600 44600
750 Л
С
Т
H
48500 47700 47400 46100 49300 47700 47700 46300 49100 47700 47700 46300 48200 47700 47400 45700 49300 46400 46400 46400 40000 46400 46400 46400 48300 46400 46400 46400 46200 45100 46200 45100 49100 44600 44600 44600
1000 Л
С
Т
H
44400 44400 44400 44400 48000 46600 46600 46600 48000 46900 46900 46900 46000 46000 46000 46000 41100 41100 41100 41100 49600 45200 45200 45200 42200 42200 42200 42200 48700 40000 40000 40000 43200 40000 40000 40000
1500 Л
С
Т
H
-
-
-
-
-
-
-
-
-
-
-
-
44200 44200 44200 44200 39800 39800 39800 39800 48100 15200 45200 45200 41200 41200 41200 41200 45500 40000 40000 40000 42500 40000 40000 40000

ТАБЛ 2. Допускаемые крутящие моменты на тихоходном валу, Н • м
*** Л - лёгкий ПВ = 15 %; С - средний ПВ = 25 %; Т - тяжёлый ПВ = 40 %; Н - непрерывный ПВ = 100 %.

Наименование технических характеристик Типоразмер редуктора
1Ц2У-315Н 1Ц2У-355Н 1Ц2У-400Н 1Ц2Н-450 1Ц2Н-500
Межосевое расстояние, мм тихоходной ступени, аwT быстроходной ступени, аwБ для вариантов сборок 11,12,13,21,22,23 315
200
4000
355
225
5000
400
250
7100
450
280
10000
500
315
12500
Допускаемая радиальная  консольная нагрузка, Н на быстроходном валу, р6 для вариантов сборок 31, 32,33 2000 2500 3550 5000 6250
На тихоходном валу. рт для вариантов сборок 11, 12, 21,22, 31, 32 22400 28000 31500 60000 80000
для вариантов сборок 13, 23,33 11200 14000 15750 30000 40000
Коэффициент полезного действия, ή , не менее 0,98

ТАБЛ 3. Допускаемая радиальная консольная нагрузка на концы валов и термическая мощность

Пример условного обозначения при заказе:

Редуктор 1Ц2У 315Н-25-12 Ц У2, где:

  • 1Ц2У– цилиндрический двухступенчатый редуктор;
  • 315– межосевое расстояние тихоходной ступени, мм;
  • 25– номинальное передаточное число;
  • 12– вариант сборки;
  • Ц– цилиндрический конец тихоходного вала;
  • У– климатическое исполнение;
  • 2– категория размещения.